English Instruction Book No. 30
Copyright Kelvin Diesels PLC

KELVIN-DIESEL ENGINES

The Running and Repairing of

Model "K" Series III
Model "K"
Model "KR"


    WHILE it is not necessary to read this instruction book right through, it is essential before starting a new engine to read those paragraphs marked thus, *. No adjustment or repair to the engine should be carried out without reference to this book. Any advice we can give is at your service whether you are the original purchaser of the engine or not. When writing do not omit to quote the number of the engine stamped on the name plate, and which should be filled in above.

    NOTE:--These instructions apply to engines properly installed in vessels which operate in normal waters. In dirty waters where sand, seaweed, jellyfish or refuse may foul the cooling system, special care must be taken to keep the water inlet clear and the water passages in the engine must be frequently and regularly cleaned out. Even a temporary stoppage of the cooling water may cause overheating and subsequent damage.

    SPECIAL NOTE:--Damage due to rust is not covered by guarantee. The deck above the engine should be perfectly watertight. Any engine room skylight or hatch should be aft of the engine. The engine should be oiled and wiped down once a week.


    1. INSTALLATION.--The fixing of an engine should be carried out in the following order:- stern tube,  shafting, engine. The final alignment of the engine to the shaft should be deferred until the boat is afloat.

Engine Foundation--All Kelvin K models are designed to rest on two transverse bearers (longitudinal bearers are not suitable). The bearers must be of hardwood and should rest direct on the planking clear of ribs. In boats having only steam-bent ribs the bearers must run up the bilge to the height of the flywheel centre, but in boats with grown frames the bearers may be straight on the upper surface. The bearers should be fastened from outside with Kelvin bolts and drawn hard down to the keel with a Kelvin wood stud which should be tightened once a year as the wood shrinks. Levelling washers were supplied with the engine. One at least should be below each foot to prevent it sinking into the wood. 4 chocks were also supplied. These should be fixed one against each engine foot to locate it sideways.


Introduction

    In this Manual, most sections are applicable to all K Models but if reference is made specifically to; (K engine) this means K2, K3 or K4; (Old Models) this means pre-Series III, built prior to 1957; or (KR Engine) this means KR4 and KR6.

    * 1(a). CAUTION.--Before starting up a new engine or an engine which has been standing for some time make sure:-
(a) that the crankcase and reverse gear contain lubricating oil up to the full level on the dip rods; (b) that the governor case is filled with diesel oil; (c) that the fuel pump is free from air by turning the engine by hand with the injector drains open until diesel oil is overflowing from the governor case into the drain bottle, then close the drains; (d) that the points shown on the oiling diagram have been attended to; (e) that oil is splashed by hand over crankpin and main bearings; (f) that the seacock is open and clear. After starting, test the oil circulating system by opening test cock on crankcase door (para. 9), and make sure that water pump is working by observing discharge of cooling water overside; check level of oil in governor.

    *2. TOOL BOXES. --A box of tools accompanies each engine. It is closed with a lead seal, and, if delivered with the seal broken, its contents should be checked with the list to be found in the engine catalogue. Provide a convenient dry place for the tool box, and hang the following on nails driven into the bulkhead:-
(a) small brass box spanner for carburettor jet; (b) filter instruction plate; and (c) finger pins for duplex filter and seacock.

    3. REPLACEMENTS.--All the parts of current models are usually in stock, also the parts of our older models for which there is a regular demand. Please describe the parts which you require in the terms of the spares list which is contained in the tool box. We can supply boxes containing a selection of spares suitable for customers in remote districts; contents and price as per spares list.

    4. IMPROVEMENTS.--We make improvements from time to time, and, where possible, we make them applicable to engines already dispatched. If you wish to know whether any improvements have been added since your engine was made and the cost of supplying them, quote the number of the engine to us.

    *5, FUEL.--The engines are tested on Shell Mex Gas Oil, but will run on any of the oils marketed in this country as Diesel Oil, Gas Oil, Diesolite, or Gasoleum, provided that the viscosity does not exceed 40 seconds Redwood No. 1 at 100° Fahrenheit and the oil remains fluid at 200° Fahrenheit. As diesel fuels are variable, it is desirable to draw a sample in a glass from every consignment. Oil having fine sediment in suspension has a dull appearance, but clean oil is brilliant even although dark in colour. Suitable fuel oils are obtainable from:-

THE SHELL MEX and B.P., LTD., Shell Mex House, victoria Embankment London, W.C.2.

THE ESSO PETROLEUM OIL co., LTD., 36 Queen Anne's Gate, London, S.E.11.

THE REGENT OIL COMPANY, LTD., 117 Park Street, London, W.1.

You are recommended to write direct for the name of your nearest dealer.

    *6. LUBRICATION is the most important care of an oil engine. Use only a proprietary oil of good quality and see that it is delivered to you with the maker's seal intact. For normal use, oil should have a viscosity of SAE. 30 or its equivalent.

    *7. LUBRICATING SYSTEM.--The oil supply is contained within the crankcase and below the reach of the cranks. An oil pump in the sump supplies a drip nozzle situated above each revolving crank, and another above each bearing. The surplus is led into the timing wheel case. An oil test cock (9) serves to indicate whether the system is working.

    The oil level must be maintained between the marks "full" and "low" on the dip rod. The crankcase should be cleaned out once in 300 hours or oftener if there is any tendency for soot or sediment to accumulate. When the crankcase has been pumped out (12) the oil pump becomes air locked, and it is necessary to make sure that it is working (9) before running the engine for any length of time. The sump holds 2 gallons (K2, 3, 4); 3½ gallons (KR4, KR6).

    *8. OIL DRIPS.--The gauze strainer situated in the bottom of the crankcase is sufficiently close to catch anything which would choke the drip nozzles; nevertheless, it is advisable to inspect the drips occasionally. This may be done by turning the engine with the sparking plugs slackened. The nozzles are removable; they differ in size; each is numbered; the largest should be forward. The nozzles are graded in size to suit a shaft rake of 1 inch in 18 inches, but are suitable for rakes up to 1 in 9. The rake will normally increase when under way, and 1 in 9 is the maximum permissible in this condition.

    *9. OIL TEST COCK.--To test the oil circulating pump open the little cock, when oil should drip from it slowly at all engine speeds.

    10. OIL WELLS.--Each bearing is fitted with two oil wells. These should be examined and cleaned when necessary.

    11. OIL PUMP.--The strainer is visible when the oil has been pumped out. Examine it from time to time to see that it remains clear.

    12. CRANKCASE PUMP.--This pump has no valves and must be operated as follows:- the cut on the handle must be towards the engine on the upstroke and towards the pipe on the downstroke. If the pump will not start put a little oil in by the the air hole to seal the piston.

    *13. DAILY ATTENTION (see oiling diagram).--(a) Open the cock on the sump of the fuel tank to discharge water and sediment ; (b) try the oil test cock (9); (c) fill the oil wells on the cylinders ; (d) oil the pump gear at three points, the starting valves, the operating cams, and the coupling of the fuel pump. Check the level of the oil in the crankcase, and the governor (48).

    14. WEEKLY ATTENTION.--Draw a sample of oil from the crankcase by means of the pump (12), using a clear glass bottle to detect the presence of water. Test the oil between the fingers. If it lacks lubricating quality, or if it has become thicker, renew it. Discoloration is not harmful. Examine the sea-cock strainer (68). Oil the starting handle by the hole at the end.

    15. MONTHLY ATTENTION.--(a) Test the oil drips (8); (b) clean the crankcase if the sediment is up to the strainer or the oil deficient in lubricating quality; (c) tighten the packing gland of the water pump; (d) tighten the gland of the governor if leaking (48); (e) clean the fuel filter (39); (f) renew the oil in the reverse gear once in 300 hours of running ; (g) examine one of the oil wells of the main bearings; if clogged, examine the others ; (h) grease the thrust box with the grease gun supplied.

    16. ANNUALLY.--A hard working engine should be over hauled once a year, and the overhaul should be sufficiently extensive to make every part good for another year's service. The practice of running an engine until trouble develops is equivalent to overhauling by instalments-a costly method.

    Before starting the work remove all surplus gear out of the engine room, provide, if possible, a work bench, a paraffin wash tray and cotton waste. Wash down the engine with paraffin to loosen the nuts and soften the rust. Proceed as follows. Order all replacements necessary by telegraph to avoid delay.

    (a) Withdraw the pistons (77). Service the ring grooves if necessary (78). If the piston pins are slack, it is necessary to renew both pistons and pins. Measure the cylinder wear (69). If the liners are renewed it will pay to renew the pistons and the rings unless these are in first-class condition.

    (b) Remove the cylinder heads (71) and wash out the water passages. Withdraw the valves and renew, or re-machine, any which are badly worn (75). If the valve seats cannot be restored by grinding, borrow a cutter from us. Examine one or more of the valve plungers. Avoid disturbing the compression chambers (73).

    (c) Examine and tighten, if necessary, the bearings of the crankshaft. See that the flywheel bolts are secure (81).

    (d) Clean out the exhaust manifold and silencer.

    (e) Clean the magneto. Adjust the contact breaker (55) and renew the wires if not good for a year's service.

    (f) Clean the injectors and nozzles (41), the fuel filter (39); blow through the fuel pipes; drain the water and sediment from the tanks.

    (g) Clean the oil wells, the oil filter, and the oil nipples.

    (h) Drain the governor case and refill it with diesel fuel. Add packing to the gland if necessary.

    (j) If the valves or valve seats of the water pump are badly worn, renew them. Examine the valve springs. Renew the packing.

    (k) Engine with Reverse Gear only; Detach the shaft coupling; examine the clutch thrust bearing and renew it if damaged by rust (99). Dismantle the reverse gear. Renew the chain if it is striking anywhere. See that the ahead clutch is secure on the crankshaft (92). Examine all bolts. Rejoint the case with cement; Check the alignment of the shaft and raise the engine, if necessary, on levelling washers obtainable from us.

Engine with Reverse Reduction Gear; Check the alignment of the shaft and raise the engine, if necessary, on levelling washers obtainable from us.

    (l) Examine the propeller (112), the cutless rubber bearing and renew the packing in the stuffing box (111).

    (m) Scrape the rust off the engine and the tanks, if necessary, and repaint with Kelvin paint.

    17. STARTING BY HAND AND PETROL.--See that the injector drains are closed (44). Tighten sparking plugs (24). Put impulse into action by tightening screw beside magneto. Put reverse gear at neutral. Set governor lever in mid position. Pull change-over lever full back. If engine is cold, put petrol-oil mixture in carburettor (52). Prime cylinders with petrol oil mixture (22), 5 to 10 squirts per cylinder-ascertain correct quantity by trial. Pull engine over compression by starting handle. When engine starts, allow to run for 15 or 20 seconds, then push the change-over lever smartly to full forward position. For extreme cold it may be necessary to repeat the operation. If engine does not take diesel fuel, suspect an airlock (38). Put impulse out of action by slackening the screw beside the magneto.

    Guard against overfilling the carburettor; usually some petrol remains in the bowl after each cold start.

    If the engine is hot it may be started by priming the cylinders alone, thereafter following the procedure described for a cold engine.

    18. STARTING BY HAND AND PETROL (Old Models with the Change-over Valves not connected together).--Open injector drains (44). Remove magneto stopping terminal from its pin. Put impulse starter into action by tightening screw beside magneto. Put reverse gear at neutral. Set governor lever in mid position. Turn change-over valves to petrol. Put petrol in carburettor (52). Prime cylinders with petrol oil mixture (22). 5 to 10 squirts per cylinder-ascertain correct quantity by trial. Pull engine over compression by handle. When engine starts, turn one change-over valve to diesel and close its injector drain. When the cylinder fires, repeat the operation for the remaining cylinders but consume all the petrol in the carburettor. Put the impulse starter out of action by slackening the screw beside magneto. Put the sparking plugs out of action by placing the stopping terminal on its pin. If the engine does not take diesel fuel, suspect an air lock (38).

    19. STARTING BY ELECTRIC STARTER AND PETROL.--Proceed as in paragraph 17, substituting pressure on the starter button for operation of the starting handle. See that batteries are kept fully charged.

    19a. STARTING BY ELECTRIC STARTER ON FULL COMPRESSION.--See that injector drains are closed. Put reverse gear at neutral. Set governor lever in mid position. Put change-over lever in full forward position. Press starter button and release as soon as engine starts.

    20. STARTING BY AIR.--Close the injector drains. Put reverse gear at neutral. Set governor level at mid position. Push change-over hand lever full forward to make sure that the starting valve is closed, then pull it back to half travel. See that there is oil in the lubricator which supplies the starting motor. Open the valve on the air bottle which connects with the starting valve fixed on the exhaust manifold. Pull change-over hand lever full back pause for a second, then push lever quickly forward until resistance of spring plunger is felt. Pause again until a change of sound from the starting motor indicates that the engine is firing, then push lever full forward to arrest starter. Close valve on air bottle. Tighten with spanner.

    21. CHARGING THE AIR BOTTLE.--The air bottle should be re-charged to 350 pounds after the engine has been started, but, before doing so, the water which accumulates in the bottle should be blown out by slackening the small hexagon screw on the bottle. To charge proceed as follows :-open the valve on the bottle which connects with the charging valve fixed to the rear cylinder. Open the injector drain of the rear cylinder. Open (one turn) the charging valve on the rear cylinder. Run engine at half speed. When 350 pounds is attained, close the charging valve and the valve on the air bottle.

Caution:-

    The charging valve must not be operated unless the injector drain is open. Should the air pressure be lost with the engine stopped, it may be re-charged by means of the hand pump to 150 pounds-the minimum for one start. This requires one man up to 100 pounds, two thereafter. A hand pump is unnecessary if the engine has petrol starting in addition to air starting.
    *22. PETROL/OIL MIXTURE.--Should be in the proportion of 32 to 1. This is equivalent to adding one half pint of lubricating oil to 2 gallons of petrol.

    23. If, owing to extreme cold or other adverse conditions, the engine does not attain sufficient speed by the use of the priming gun alone, a charge of petrol should be put into the carburettor (51 and 52). This should never be necessary when the engine is warm.

    *24. STOPPING.--Slow the engine to half speed. Put the reverse gear at neutral and slacken the sparking plugs. Open the injector drains and pull the change-over lever to mid position--all as quickly as possible. When the engine has stopped, close the injector drains. In an emergency the engine may be stopped by merely pulling the change-over lever back to mid position.

    *25. IDLING.--The engine may be run without load for any length of time, provided that it is run slowly. If permitted to run at speed without load, the cylinder will cool down and the engine will knock (79).

    26. ENGINE FIRES PRIMING AND STOPS.-- (23 and 51).

    27. ENGINE NOT FIRING PRIMING.--(a) Sparking plugs damp (64); (b) engine overprimed-turn with sparking plugs slackened ; (c) carburettor over-filled (52); (d) impulse starter not in action-tighten screw beside magneto; (e) lack of spark (62); (f) magneto contact breaker stuck (55); (g) magneto wrongly set (54).

    28. ENGINE RUNS IRREGULARLY.--(a) If two filters are used, change over to the second filter; (b) air in the fuel system; open the cock at the forward end of the fuel pump; if this stops the engine the filter is choked ; (c) injector valve sticking (45); (d) valve clearance not correct (74); (e) valve stems sticking-fill the oil wells with fuel oil; (f) examine the feed pump if one is fitted.

    *29. ENGINE RUNS BACKWARDS.--If the change-over valve is turned to diesel before the engine has attained sufficient speed on petrol, it is possible for the engine to run backwards. When this occurs, the engine draws its air supply through the silencer and along with it water and/or soot. This condition can be avoided by allowing engine to run on petrol for several seconds before pushing forward the change-over lever.

    30. ENGINE KNOCKING.--If the knock is within the crankcase, look for something loose, misplaced or hot. A knock within the cylinder is usually due to the jackets being too cold. This occurs if the engine is run at speed without load. If that is not the cause, see (42).

Caution.--If the knock is due to the white metal being run out of a big end, the engine must be stopped at once or the crankshaft will be damaged beyond repair.

    31. ENGINE TIGHT TO TURN.--If the tightness developed during the process of starting the engine, it is probably due to the excessive use of petrol, which washes the lubricating oil from the cylinders (22).

    *32. ENGINE FLOODED. (Wet Exhaust System) --The exhaust must discharge slightly above sea level. The silencer must be above the point of discharge. No part of the pipe may be above the silencer. The best arrangement is to give the pipe a gradual fall throughout its length from silencer to point of discharge. If these conditions have not been fulfilled report the arrangement and the engine number.

    33. SMOKE AT THE EXHAUST. (Dry Exhaust System)--(a) Cylinders too cold due to the engine being run at speed with the clutch out (25); (b) oil level above the full mark (7); (c) injector valve stuck (45); (d) injection point too late (42); (e) the brass stop on the fuel pump control rod out of position (36); (f) injection pressure adjustment wrong (43).

    34. CYLINDERS TOO HOT. (Old Models)--At all speeds the water pipe leading upward from the cylinder barrel should be as hot as the hand can bear. The cylinder head should be cooler. If these conditions are not met (a) examine the strainer (68), (b) open the water regulator (67), but before doing so drain the cylinders. Permit no water to fall on the pump shaft; (c) salt may have accumulated in the silencer where the water pipe enters from the cylinders. This may be cleared by a wire inserted through a door on the top; (d) the water outlets from the cylinder heads may be choked with salt.

    35. COMPRESSION CHAMBER RUNS HOT.--(a) Lack of clearance between end of starting valve stem and rocker (73); (b) starting valve not seating properly.

    36. FUEL PUMP.--The internal parts of the fuel pump are of super quality. They stand up to their work indefinitely if protected from water and grit. The absence of a water trap on the tank or neglect to tap it regularly will quickly ruin the pump. The filter must be cleaned regularly (39). The pipe between the filter and the fuel pump must be scrupulously clean before assembling. Do not attempt to dismantle the fuel pump without reference to the C.A.V. Instruction Book supplied in the tool box. The brass stop on the control rod prevents excessive discharge from the pump. Its position was carefully adjusted on test to suit the power output stated in the catalogue. Do not attempt to move it or disturb the seal.

    *37 FUEL PUMP LUBRICATION.--The pump is lubricated by fuel oil and therefore no attention to lubrication is required.

    38. AIR LOCK.--When the filter or fuel pipes have been emptied for cleaning, or by want of fuel in the tank, the fuel pump becomes air locked. To release the air, open the cock at the forward end of the fuel pump. If this stops the engine, the filter is choked.

    39. FILTER.--Use one filter at a time and run until the engine  "staggers", then change to the second filter and clean the first so that it is ready. Change over as shown on Duplex Filter Instruction Plate. As the fuel pump cannot withstand either grit or water, the filter should be cleaned thoroughly and as follows:--slacken the nuts on the top of the filter, remove the bowl; withdraw the cloth filter and clean in a pail with a brush, using clean fuel oil, taking care that no sediment becomes lodged inside the cloth filter. No water will collect in the filter if the drain cock on the tank is regularly operated (13).

    40. INJECTOR FUNCTION.--The valve in the injector nozzle should remain closed until the oil pressure exceeds the compression pressure. The valve should then open and close promptly when injection has ceased.

    41. INJECTOR NOZZLE.--To inspect this, first remove the injector from the cylinder, then unscrew the steel cap nut by means of the vice at rear end of crankcase. If the valve cannot be withdrawn from the nozzle with the fingers, soak it in kerosene but use no tool which might damage it. The valve is a very close fit in the nozzle, and, while good for its work, cannot stand rough handing. Avoid touching it with gritty hands or with cotton, as the slightest trace of either is sufficient to am it. The nozzles and valves are not interchangeable and must be kept together. If one is damaged, both must be renewed; a spare nozzle should be carried. Avoid mixing the injector parts. Deal with the injectors one at a time.

    42. INJECTION POINT.--The injection should commence a little before the piston reaches the top of its stroke. If the injection is too soon, the engine will knock. If too late, it will lack power or show smoke at the exhaust. The mark on the flywheel indicates the commencement of injection which was found best on test but a change of fuel might call for some adjustment which should be made at the fuel pump coupling- half a mark at a time. Should the fuel pump be removed, re-connect it as follows (a) turn the engine until No. 1 Cylinder blows at the sparking plug ; (b) adjust the flywheel to bring "Injection" mark central (c) turn pump by coupling until marks on coupling and pump coincide ; (d) couple the pump to its driving shaft ; (e) if this does not give an exact result, use the adjustment on the coupling.

    43. INJECTOR ADJUSTMENT.--When sent out the injectors were adjusted for a pressure of 80 atmospheres. The pressure is controlled by brass washers below the hexagon brass plug. The figure stamped on the plug represents the combined thickness of the washers. The parts must not be interchanged. An appliance to test injectors is available at C.A.V. Service Stations.

    44. INJECTOR DRAIN VALVE.--The hand screw on the injector is the drain valve. When this is open, no fuel passes into the cylinder.

    45. INJECTOR VALVE STICKING.--This may be due to fine sediment in the fuel (5) or to wrong adjustment (43).

    46. DRAIN BOTTLE FILLING UP MORE RAPIDLY.--This is due to the injector valves not seating properly or to wear of the valves (41).

    47. GOVERNOR ACTION.--The speed of the engine is controlled by the amount of fuel discharged by the pumps. The discharge from the pumps is controlled by the governor. The action of the governor is controlled by the hand lever.

    *48. GOVERNOR, CARE OF.--As the governor does not act when the case contains insufficient oil, it is essential to make certain that the oil level is maintained (see instruction plate on governor). If the engine is running, the case can be filled by opening one of the injector drain valves (44). If the engine is stopped, the filling must be done through the hinged cover; use diesel fuel. Should the engine run away, stop it by pulling the change-over lever to mid position.

    Tighten the packing gland from time to time to avoid loss of oil by leakage. When the gland is fully tightened up, add a portion of the metallic packing which will be found in the tool box.

    Excessive tightening of the packing gland may cause sufficient heat to boil away the oil and thereby put the governor out of action.

    49. GOVERNOR ADJUSTMENT.--The movement of the hand lever is limited by two stops. The upper one controls the maximum speed and the lower one the minimum speed. The upper one is adjusted for 750 r.p.m. at which speed the engine develops its rated horse power, provided that the propeller is not of excessive size. The lower stop should be adjusted to give a speed, without load, of 160 r.p.m. with engine cold.

    50. SLOW RUNNING DEVICE (Model KR6 only).--This provides screw adjustment for the tension of the governor spring. On test with the device fully tightened, the engine develops, when cold and without load, about 160 r.p.m. When hot, the speed rises to 230. If it is desirable to run slower, the device should be slackened. When the need for slow running has ceased, the device should be tightened, or a sudden use of the reverse gear may stall the engine. The full speed of the engine is not available unless the device is fully tightened.

    51. CARBURETTOR.--The spherical casting at the rear of the engine is the carburettor. It contains nothing but a spray jet which may be removed for cleaning by means of the brass box spanner provided, applied through the plug at the bottom.

    *52. PETROL CAN.--This should contain petrol-oil mixture which is poured into the gauze-covered well of the carburettor. It gives a measured quantity suitable for one start. Avoid filling above gauze level (22).

    53. MAGNETO, CARE OF.--Do not allow oil to drip on to the magneto as this causes rapid wear of the platinum contacts. The magneto requires only three drops of oil once a month.

    54. MAGNETO SETTING.--If the magneto is removed, it must be re-set as follows :-(a) turn the engine until No. 1 cylinder blows at the sparking plug; (b) adjust mark on fly wheel central; (c) remove door from magneto case, also cover from end of magneto; (d) lay No. 1 sparking plug on top of magneto and oscillate armature by gearwheel until ping sparks; (e) mesh gearwheel so that break occurs when mark on flywheel is central.

    55. MAGNETO CONTACT BREAKER.--The moving arm of certain makes is liable to become stuck in damp climates owing to the swelling of its fibre bush. Remove the arm, polish and oil the pin; scrape out the fibre bush with the square tail of a small file or other suitable instrument. The fibre pad on the end of the arm should be oiled, but no oil must reach the platinum contacts. If any spare parts are carried, a complete contact breaker should be included.

    56. MAGNETO CONTACT BREAKER GAP.--The contact points are platinum tipped and gradually wear further apart with the result that the gap increases. A gauge is attached to the magneto spanner; try it in the gap, and, if necessary, adjust the screw. If the contact points wear rapidly (53).

    57. MAGNETO DISTRIBUTOR.--Some distributors have carbon brushes which wear. The dust produced must be removed from time to time. When the brushes wear down they should be renewed. The stretching of the spring serves temporarily.

    58.MAGNETO REPLACEMENTS.--Owing to the great variety of magnetos which we have been obliged to supply, we cannot keep stock of all magneto replacements, and buyers are advised to communicate direct with the magneto maker, taking care to quote the number of the magneto if it bears one. A magneto sent to the maker should be labelled with the owner's name and its despatch advised to the maker.

BOSCH MAGNETOS.
Bosch Limited,
Larden Road, Acton,
London, W.3.
SIMMS MAGNETOS.
Simms Motor Units Ltd.,
Oak Lane,
East Fincley,
London, N.2.
LUCAS MAGNETOS.
Joseph Lucas, Ltd.,
Great King Street,
Birmingham, 9.
B.T.H. MAGNETOS
British Thomson Houston
Co., Ltd.,
Alma Street,
 Coventry.
    59. IMPULSE STARTER PRINCIPLE.--Revolving with the magneto are two pawls. These project when the engine is turned and recede when it attains about 100 r.p.m. The projecting ends of the pawls engage with a latch which arrests the rotation of the armature and stretches a pair of Springs. At a certain point the latch releases the pawl and the springs impart to the armature a rapid motion which causes the magneto to produce a spark however slowly the engine is turned.

    60. IMPULSE STARTER TEST.--When the engine is turned by hand, the impulse starter should produce a click. The action may be observed by removing the cover from the end of the magneto. If the device is not working, remove the inspection door and examine the springs.

    61. SPARKING PLUG, CARE OF.--Porcelain plugs must be handled with care. A spanner carelessly applied may produce in the porcelain an invisible crack which in time holds moisture and causes the plug to short. The thread of the sparking plug should be oiled.

    62. SPARKING PLUG TEST.--Take out plug, lay it on engine so that its body alone makes contact, turn engine by hand. If no spark results (63).

    63. SPARKING PLUG ADJUSTMENT.--The spark gap becomes wider with use, and the points should be bent to maintain the gap between .016" and .020". The size of the spark is in proportion to the width of the gap. A spark too small may fail to start the engine, but a gap too wide may fail to produce a spark.

    *64. SPARKING PLUGS DAMP.--The combustion of air and petrol produces water vapour, some of which condenses on the sparking plugs. The sparking plugs supplied by us are so arranged that this water can be blown off before starting by turning the engine by hand with the sparking plug handles slackened one half turn. Note that this cannot be done with ordinary sparking plugs.

    65. SPARKING PLUG HOLDER. (Old Models)--In engines having one or two cylinders, a surplus spark occurs at the commencement of the suction stroke. These surplus sparks interfere with starting, but, if led to an external sparking plug they are harmless. Keep this plug in working order or the magneto will be damaged.

    *66. AIR COCK. (Old Models)--On the air chamber of the water pump will be found an air cock. This should be opened for a moment occasionally to fill the air chamber and so prevent water hammer. It is necessary to close the sea cock while doing so.

    67. WATER REGULATOR. (Old Models)--This is automatic in action. Withdraw the valve occasionally to see that it is free. Control is by a restricting plate fixed between the regulator and the flange of the small pipe. The size stamped on the regulator indicates the original size of the hole in the restricting plate. Restriction bushes within the water connections distribute the water equally.

    *68. SEACOCK STRAINER. --This should be cleared regularly. To run until it chokes is dangerous. The strainer requires little attention at sea, but frequent attention if the engine is run with the boat at rest in shallow water, especially if the reverse gear has been in action, as that stirs up the water.

    69. CYLINDER LINER.--When the internal diameter, about 1" from the top, exceeds 6.O18", the liner should be renewed. If you have no micrometer, make a length bar of iron wire about 3/16" dia., and a fit for the liner at the top. With this and a set of "feelers" it is possible to measure the diameter where the wear occurs. The liners are pressed into the cylinder and may be withdrawn upwards, without removing the cylinders, by means of a tool loaned on request (125).

    70. CYLINDERS.--The attachment of the cylinders to the crankcase is very important. The nuts within the crankcase must be drawn up very tight. Use the special spanner provided in tool kit which should be applied as follows :--

1. Place the spring on the cylinder head stud in line with the nut in the crankcase to be tightened.
2. Pass the spanner down the cylinder barrel so that the guide plate fits over the head stud and rests on the spring.
3. Depress spring and engage spanner on nut in crankcase
4. Apply ordinary spanner to top end of special spanner and tighten up.
    When the piston is up it should be exactly flush with the top of cylinder. If not, add or remove a joint between cylinder and crankcase.

    71. CYLINDER HEADS.--Joint with the cement to be found in the tool box or obtainable from motor dealers. Make the bolts very tight, and verify the valve clearance (74).

    72. WATER PUMP.

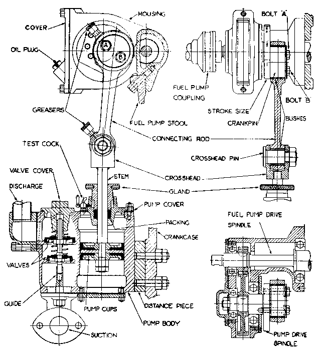
    The pump is geared down to run at one-fifth engine speed, i.e., with the engine running at 750 r.p.m., the pump does 150 strokes per minute. Before an engine leaves our works the water pump stroke is set to give a temperature at the exhaust manifold of between 125°F. and 140°F., depending on the temperature of the inlet water. Where the inlet water temperature exceeds 70°F., it may be necessary to increase the stroke of the pump, one step at a time, until the temperature at the exhaust manifold is not more than 70°F. above the temperature of the inlet water. At no time should the temperature on exhaust manifold thermometer exceed 170°F.

    WATER PUMP STROKE.--To alter proceed as follows:--Turn engine until markings on the pump drive spindle flange are visible. The marking opposite bolt 'B' indicates the stroke. To alter it, slacken bolt 'A.' which is the one nearest to the centre of the pump spindle flange, and unscrew bolt 'B' until its thread is disengaged. Rotate the crankpin about bolt 'A' or alternatively turn the engine until bolt 'B ' can be engaged opposite the stroke required. Tighten up both bolts.

    LUBRICATION.--The pump gear housing should be filled with engine lubricating oil up to the level of the oil plug hole. Remove the plug occasionally when engine is stopped to see that the level is maintained. To drain the housing, remove the cover.

    CONNECTING ROD.--Has renewable bushes grease lubricated. The greasers should be kept full and given an occasional turn to ensure adequate lubrication.

    PUMP GLAND.--If water leaks up the pump stem, tighten the gland using finger pin provided in tool box. To repack the stuffing box, remove crosshead pin and swing connecting rod clear, pull stem up to maximum position, unscrew the gland and add a turn of packing. The packing should be completely renewed at time of engine overhaul, or at least once a year.

    WATER PUMP VALVES.--May be removed by unscrewing valve covers. Renewable valve seats and guides are soldered in place.

    PUMP CUPS.--To examine or renew cups, remove crosshead pin and swing connecting rod clear; remove nuts securing the cover, then withdraw stem, cover and cup assembly. The cups may be removed by taking off nuts on end of stem; see that they are properly locked on replacement.

    VENTING THE PUMP.--The cock on cover should be opened after starting up to release air from valve chambers. Cock should be closed immediately a solid jet of water appears on the discharge stroke.

    72.(a) WATER PUMP. (Old Models)--This is an important accessory and any abnormal noise or leakage should be immediately investigated. When leakage develops at the pump rod, tighten the packing gland by means of the knurled ring. The packing should be completely renewed each time the engine is overhauled, because in time it loses its grease and will score the rod. To remove the piston, turn the engine until the pump rod is in its highest position, then remove the 6 hexagonal screws surrounding it Push the piston rod down, swing the ball out of the way, when the piston with its cover may be withdrawn upwards. Should the ball of the pump rod develop a knock, the slackness may be taken up by filing the underside of the brass plate. The pump barrel and the valve seats are renewable and held in position by solder. If the body of the pump is heated they fall out.

    73. PETROL COMPRESSION CHAMBER.--This be comes hot when run on petrol at starting, but should cool off when running at full compression, when no leakage should be noticeable with the priming cock open. The rocker should be clear of the valve stem about 1/16". This adjustment is made by rotating the upright to which the rocker is attached. As the chamber must be in perfect alignment with the valve, it should not be disturbed unnecessarily. Should the joint leak, screw the stud supplied into the end of the valve stem, remove the nuts, the spring and the chamber; clean the faces with care and remake the joint with the cement supplied. Should the valve leak, grind it by a spanner applied to the upper nut while injecting petrol through the priming valve hole. If this does not suffice, remove the head (71).

    74. VALVE CLEARANCE.--The clearance between the rockers and the ends of the push rods should be .006" with the engine cold; a gauge is provided. This must be verified each time the cylinder heads are tightened down. The adjustment is made by slackening the nut within the valve spring. This nut must be securely locked or the valve will slack down and strike the piston. If the valves are adjusted with the engine hot, the clearance must be .010" and should be checked when the engine is cold.

    75. VALVE GRINDING.--The inlet valves (rear) remain tight indefinitely, but the exhaust valves should be ground every twelve months of running. If this is neglected, the valves and the seats may become pitted beyond repair. A cutter to re-condition can be lent on request.

    76. VALVES INCLINED TO STICK.--Should a valve stick, the piston will strike it. The oil well on top of each cylinder lubricates the rockers. The surplus lubricates the valve stems. Should a joint between the top of the cylinder and the rocker block become broken or charred, the oil intended for the valve stems might escape.

    77. PISTON.--The piston and connecting rod are removable through the inspection door on the starboard side. It is desirable to have some assistance to turn the flywheel, in order to bring the crank into the various positions necessary for this operation. If any of the piston rings are stuck fast, they must be broken out and renewed.

    78. PISTON RINGS.--If the slackness sideways exceeds .020", the grooves should be enlarged for oversize (.030") rings. If the pistons cannot be sent to us for this service, it must be done locally. A small piece of a new ring will be found useful as a gauge. The groove should be of sufficient width to allow it to enter flush, along with a feeler .004" to provide the necessary clearance.

    79. EXCESSIVE OIL CONSUMPTION.--This may be due to the use of oil which loses its viscosity when hot (6); if the consumption has gradually increased it is probably due to the piston rings having become slack in their grooves; ring groove wear is, in turn, due to cylinder wear, and cylinder wear, according to the latest opinions, is due partly to high gas pressure and partly to corrosion resulting from combustion. It is thought that most of the wear occurs before the cylinder liner has heated up, during which time the products of combustion condense on the liner and corrode it. It is, therefore, important to bring the engine up to running temperature as quickly as possible (72). The practice of starting a cold engine long before it can be put on load causes cylinder wear.

    80. EXHAUST MANIFOLD.--If the manifold appears to become hotter, remove the end covers and scrape out any salt accumulated. As the joints are perishable, it is necessary to have spares at hand.

    *81. FLYWHEEL. (K Engine)--The attachment of the flywheel is important. If it is necessary to remove it, draw the bolts by means of the puller and stud in the tool box. These bolts must be oiled and replaced with care, as a loose flywheel may involve a new crankshaft.

    82. TIMING GEARS. (K Engine) -These are within the case behind the flywheel. They are all marked to indicate how they must be assembled. It is possible to see the gears without removing the flywheel. First remove the flywheel pan, then slacken the cover.

    82(a). TIMING GEARS (KR Engine). These are within the reduction gear case. They are all marked to indicate how they must be assembled.

    83. FIRING ORDER.:-
Firing order 
K2
K3 
 K4 
K6
Rotation clock-wise
1002 
132
1243 
142635
Rotation anti-clock-wise
1002 
123
1243 
153624

 
Firing order 
KR3 
 KR4 
KR6
Rotation clock-wise
132
1243 
135642
Rotation anti-clock-wise
123
1243 
124653
    84. OIL ESCAPES BEHIND FLYWHEEL. (K Engine)-- If water is permitted to reach the crankshaft at the back of the fly wheel, rust will occur, and the white metal oil retaining ring will be destroyed. As this cannot easily be rectified, it is important to allow no water to reach the flywheel (99).

    85. FRONT OIL RETAINING RING. (K Engine)--Fitted around the crankshaft and immediately behind the flywheel there is a white metal ring to prevent escape of oil. To remove it first prise off the spring and then remove the upper half of the iron plate. The plate must be rejointed with cement (120).

    86. REAR OIL RETAINING RING. (K Engine)-Between the rearmost crank and the reverse gear and visible from within the crankcase there is an iron plate with a white metal bush fitting close around the crankshaft. This serves two purposes-to prevent the escape of oil into the reverse gear and the passage of damp vapour from the crankcase to the ball thrust bearing situated immediately behind it. The bush carries no load and requires no attention.

    *87. STARTING HANDLE.--The spring around the starting shaft brings the handle out of engagement when the engine starts. This is necessary for safety because a diesel engine stopped on full compression recoils and causes the handle to spin round.

    88. CRANKSHAFT BUSH.--The clearance between the bush and the shaft should be .005". The shaft should measure between 3.749" and 3.751". Should a lower half become damaged, order a half crankend bush. When this is placed in the cap, the edges may stand above the flush and it is necessary first to file them flush. The bedding of the bush should be carried out by the use of red lead and a scraper in the ordinary manner. All bolts must be left as tight as is possible with the spanner provided. As the upper halves control the alignment of the shaft, it is desirable to avoid renewing them. Should it be necessary to do so, the work must be very carefully done.

    89. CRANKPIN BUSH.--The clearance between the bush and the crankpin should be 004". The clearance may be checked by inserting between the bush and the crankpin a feeler 004" in thickness. It is preferable to bed the bush to a mandrel which is oversize by the amount of the clearance. Such mandrels are supplied at small cost. They are designed to be held in the vice. When the bush has been made a working fit on the mandrel, its clearance in the engine will be correct, provided that the crankpin is still between 3.499" and 3.501".


MODEL K REVERSE GEAR

    90. TO DISMANTLE REVERSING GEAR.--Remove the control wheel bracket; withdraw the starting shaft; remove the upper half of the case; find the joint in the large chain and remove it; lift out the gears and the lower half of the case can be removed.

    91. TO REPLACE REVERSING GEAR.--Fix the lower half of the case; place the gears in position. Draw in the chain by means of a copper wire passed around the lower wheel. When the chain engages the lower wheel, help it around by turning the engine gently. Joint the upper half of the case with cement to be found in the tool box or obtainable in tubes from motor dealers (120).

    92. AHEAD CLUTCH.--This must be very secure on the crankshaft and should not be removed unnecessarily. It is secured by a nut and two pairs of tapered keys. To slacken the keys, proceed exactly as follows :--with the key punch provided drive in the lower keys slightly, this slackens them and makes it possible to pull off the clutch.

    When replacing the clutch, it is necessary to insert the lead key stops at the back of the lower keys (spares in tool box). If this is neglected, it will be impossible to withdraw the keys. The skill of a mechanic is necessary for this operation.

    93. CLUTCH SLIPPING.--Causes: (a) propeller blade bent; (b) shaft out of line; (c) propeller of excessive pitch- report engine number, dimensions and speed of boat, r.p.m. of engine at full speed.

    94. CLUTCH, WORN OUT.--Causes: (a) Manipulating the clutch without first slowing the engine; (b) running with the clutch slipping (93).

    95. REVERSING GEAR RUNNING HOT.--Causes: (a) excessive oil--drain case and put in correct quantity; (b) slipping clutch-due to an obstruction on the propeller or a bent blade; (c) heat generated at the rear bush-verify alignment of shafts.

    96. BUSH AT REAR OF REVERSE GEAR RUNS HOT.--Causes: (a) lack of oil due to oil leakage-renew oil according to instruction plate; (b) shafts out of line-remove shaft coupling and check alignment of shafts with steel rule or the blade of a carpenter's square. Levelling washers were supplied to be used below the engine as the foundation shrinks.

    97. ABNORMAL NOISE IN REVERSE GEAR.--Should be investigated at once as it might be caused by a slackness in some of the keys which, if permitted to continue, may ruin the crankshaft (92).

    98. REVERSE GEAR LEAKING OIL.--(a) Drain flange not tight or joint defective; (b) white metal run out of rear oil retaining ring (86); (c) engine installed at rake in excess of 1 in 9.

    *99 BILGE WATER IN REVERSE GEAR.--The practice of cementing the bilges restricts the space available for bilge water, with the result that a trifling amount may rise to the level of the shaft, enter the reverse gear and ruin it entirely. This is particularly to be guarded against if the engine is installed far aft. The clutch thrust bearing is within the gunmetal thrust box and it cannot withstand salt water.
 


MODEL KR REVERSE REDUCTION GEAR.

    100. REDUCTION GEAR.--A leather oil-seal surrounds the shaft where it leaves the case. Nevertheless, the bilge water must not be permitted to rise to the level of the shaft. The engine room bilge should be isolated by watertight cross floors of sufficient height. A constant-running bilge pump, with a suction pipe for each division of the bilge, is recommended. The practice of cementing the bilges restricts the space available for bilge water, with the result that a trifling amount may rise to the level of the shaft.
    101. REDUCTION GEAR CASE.--This contains the reduction gears, the reversing gears and chain, the clutches and the timing gears. The reduction gears are visible through the square inspection door. Permit nothing to fall into the teeth. Never leave the door off. The case is jointed with cement and must be perfectly oil and watertight. The presence of water in the case may be detected by drawing a sample of the oil into a clear bottle by means of the hand pump.

    102. TO REMOVE THE FLYWHEEL.--Drive in the lower keys with the punch provided. This slackens them and makes it possible to pull off the flywheel.

    103. TO OPEN THE REDUCTION GEAR CASE.--Suspend the forward part of it be means of lifting tackle (Details in catalogue). Withdraw the 7 screws which surround the shaft. Remove the 26 bolts around the flange and break the joint by means of the 3 starting screws.

    104. TO REMOVE THE BALL BEARING.--Proceed as in paragraph (103) but without withdrawing the 7 screws.

    105. TO REPLACE THE FLYWHEEL.--Set the lead stops (spares in tool box) into the shaft and slip the spacer over them. Mount the flywheel. Insert the keys loosely. Draw on the flywheel by means of the service plate then tighten the upper keys.

    106. CLUTCH SLIPPING.--Causes (a) propeller blade bent ; (b) propeller of excessive pitch--report engine number, dimensions and speed of boat, r.p.m. of engine at full speed.

    107. CLUTCH WORN OUT.--Causes: (a) Manipulating the clutch without first slowing the engine; (b) running with the clutch slipping (93).

    108. VIBRATION DAMPER.--This is fitted at the rear end of model KR6 engines. Its purpose is to damp out torsional vibration. On older designs the oil level in the damper should be checked once a week. This is done by turning the engine until the instructions stamped on the damper are level when the plug may be removed and the level restored with diesel oil. The damper should be filled until oil escapes by the overflow hole. Should the damper lose its oil the engine will develop a severe knock and must be stopped at once. It is not advisable to open the damper because of the difficulty of re-jointing it perfectly tight-cement is necessary. Later engines have a damper which requires no attention whatever.

    The damper is secured by a nut and two pairs of tapered keys. To slacken the keys, proceed exactly as follows -with the key punch provided, drive in the lower keys slightly. This slackens them and makes it possible to pull off the damper. When replacing the damper it is necessary to insert the lead key stops at the back of the lower keys (spares in tool box). If this is not done, removal of the damper becomes a very troublesome operation.

    109. ENGINE LOSING SPEED.--If the loss has been gradual it may be due to an accumulation of soot and salt in the silencer--clean it out-or to the fouling of the vessel below water. A growth not visible to the eye is sufficient to affect the speed. If the bottom is slippery to the hand, the boat requires cleaning. It pays to use anti-fouling paint, the best qualities resist growth in a temperate climate for four months-growth begins on ordinary paint in four weeks.

    *110. FRICTION TYPE SHAFT COUPLINGS. (K Engine) Must be very tight. If once they slip, both coupling and shaft be come torn and ruined. All parts of the shaft coupling should be painted before being assembled. If shaft runs is out of truth, it probably due to unequal tightening of shaft coupling bolts. Hold a pencil to the running shaft and tighten the bolts at the side marked by the pencil.

    *111. STERNTUBE.--A cutless rubber bearing is fitted on the outside. It requires a through circulation of water which enters by two little pipes. The stem post must be trimmed down to bring these pipes into the stream line. As rubber does not stand grease, the shaft must be inserted dry and the packing impregnated with graphite and the minimum of grease. As the graphite is dissolved out of the packing in time, it is desirable to renew the packing once a year.

    112. PROPELLERS.--Should be removed with a heavy hammer--a light one harms the propeller without removing it. Secure the nuts with a turn of monel wire through the end of the shaft. If you consider the propeller unsuitable for your boat, report to us the length, beam and draught of the boat, the full speed of the engine and the markings on your propeller.

    113. PROPELLER INEFFICIENCY.--Causes: (a) lack of clearance between propeller and woodwork-increase the aperture wherever possible; (b) stern post too clumsy-reduce it as much as possible; (c) rudder post too thick-reduce it or abolish it; (d) diameter or pitch of propeller not suitable. Report the engine number, length, beam, and, if possible, the speed of the boat, also the full speed of the engine.

    114. PROPELLER SHAFT VIBRATION.--Causes: (a) lack of clearance between propeller and woodwork (113); (b) propeller blade bent ; (c) shaft out of truth ; (d) shaft bearings slack, file the lower half.

    115. SPEED IN RELATION TO POWER.--The resistance of a vessel to propulsion is due to two distinct causes- surface friction and wave making. Surface friction is present at all speeds. Wave making is absent at low speed, commences suddenly and increases rapidly. It follows, therefore, that any boat is easily driven up to its wave making speed, and beyond that only by an extravagant expenditure of power. If economy in first cost or in running expense is of importance, it is advisable to instal only sufficient power to produce the wave making speed. It is a common fallacy that a vessel with good lines must be easily driven. At low speeds the lines count for nothing; surface friction is the whole source of resistance. At higher speeds what counts in the relation between the displacement (weight) and the water line length. It follows that an increase of speed should be sought by decreasing the displacement or increasing the length rather than by increasing the power. These remarks will explain why heavy short high-power craft are disappointing in speed.

    *116. TANKS.--The fuel pump of a diesel engine is readily damaged by water, rust and zinc sediment, and damage from these causes is not covered by guarantee if the tanks are not of our make. Fiat bottomed tanks always contain some water; ungalvanised tanks produce rust; tanks galvanised after being put together usually produce zinc sediment.

    117. FEED PUMP.--This is necessary if the tanks are less than 16 inches above the centre of the flywheel.

    *118. DECK CONTROL.--For leading the control of the clutch and governor on deck or into the cockpit, a variety of fittings are kept in stock; particulars on application.

    119. BALL BEARINGS.--The failure of ball bearings is seldom due to fair wear or to original defect, but almost always to lack of protection from damp or to defective mounting. As soon as the burnished surface of the balls shows rust, the failure of the bearing is imminent.

    120. JOINTS.--Each boat should carry a stock of joints obtainable from us. In cases of urgency, joints may be cut from certain materials obtainable from mill furnishers or motor dealers. For exhaust use " asbestos millboard" coated with graphite or black lead to prevent adhesion; for water use "rubber insertion ; for oil, use white of egg or shellac or any of the cements sold by motor dealers. Red fibre withstands oil and water but not heat. Rubber withstands water but not heat or oil.

    *121. CARE OF ENGINE.--"Kelvin" engines are designed to be easily kept clean--all parts are rounded-no sharp edges. Use cotton waste obtainable from chandlers ; old cloth is not suitable-keep your waste dry. Wipe your tools each time you use them.

    122. FROST.--In severe weather the water should be drained from the jackets by the drain caps. The seacocks must be closed and the floorboards should be left open to remind you to open the seacocks before starting. If the drain caps will not hold tight, don't abuse them with the pliers. Renew the corks inside them.

    123. WINTERING.--Before laying up an engine for the winter it is important to remove any salt dried on to it, as this draws damp and causes an excessive rusting action. To do so, wash down the engine with hot water. Drain all the water from the cylinders, pumps, and from any pipe bend where water can lie. Pour some lubricating oil into each cylinder, and turn the engine by hand. Grease everything not protected by paint. As a wooden vessel exudes moisture inside for about 6 months after being hauled up, it is necessary to provide continuous ventilation if excessive rust is to be avoided.

    *124. BILGES.--Although Kelvin engines are oil tight, it is impossible to avoid some spillage when pipes are detached for the cleaning of filters. Instead of attempting to catch this by means of drip trays, it is more practical to provide for the easy cleaning of the bilges. All floor boards should be portable and the engine room bilge should be isolated. Cleaning is a simple matter if done as follows:-

    Pump out the salt water, and substitute fresh; add 7 pounds of washing soda, dissolved in hot water; swab the bilges with a mop. If enough fresh water is available, the rolling of the boat may be utilized to do the work of swabbing.

    125. LINER EXTRACTING TOOL.--(a) Oil the stud so that the nut is perfectly free; (b) bring the piston to its lowest position; (c) assemble the tool as shown, spacing the (6 or more) teeth equally around; (d) tighten the nut; (e) rotate the flywheel from side to side while maintaining a tightening pressure on the nut.

    126. KELVIN STEERING AND CONTROL COLUMN

Monthly Attention--Remove the steering column cover and oil the chain and bearings. Remove the oil plug from the deck bearing of the helm stock and fill with oil. Oil the chain where it works through a pulley or a lead.



Back to K Index